URM-40LC-EWT
New 2D Scanning Range Finder for outdoor
Compact model and the 40m range.
Multi-echo functionality and IP67 protection with it.
You can choose from distance data output mode or area configuration mode.
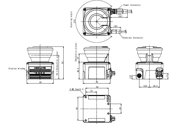
Compact model (80 mm x 80 mm x 95mm)
Overview
Features
Strong for both Outdoor and Indoor usage.
* Protective structure: IP67
Laser scanning image
Optical window contamination warning function

and it will inform you before the malfunction stop.
Switching Function

Model
| Model | Code | |
| URM-40LC-EWT | UURM004 | |
Power cable
| Model | Code | Length |
| URM-C005 | UZ00112 | 5m |
Ethernet cable
| Model | Code | Length |
| URM-ENET003 | UZ00113 | 3m |
| URM-ENET005 | UZ00114 | 5m |
Power cable

Ethernet cable

Specification
| Product name | Scanning Laser Range Finder |
| Model | URM-40LC-EWT |
| Light source | Laser semi conductor (905nm) Laser Safety Class 1 (IEC60825 1:2007 and IEC60825 1:2014) |
| Supply voltage | DC10V to 30V |
| Supply current | Continuous current : 700mA or less (when using DC 12V) |
| Peak current: 1.2 A or less (when using DC 12V) | |
| Power consumption | 8.4W or less (During steady current) |
| Detection range and object | 0.1m to 40m*1 (White Kent sheet Reflectance 90% 500 mm×500mm ) |
| 0.1m to 18m*1 (Black paper Reflectance 10% 500mm×500mm ) | |
| Maximum detection distance: 60m | |
| Minimum detectable size Normal mode: 65mm (5m) , 130mm (10m), 260mm (20m) High Resolution mode: 33mm (5m) , 65mm (10m), 130mm (20m) |
|
| Average Accuracy by distance | White Kent sheet Reflectance 90%; 0.1m to 30m: ±20mm*1 30m to 40m: ±30mm* 1 |
| Measurement resolution | 1mm |
| Repeat accuracy | White Kent sheet Reflectance 90% |
| 0.1m to 20m: σ < 10mm *1, 20m to 40m : σ < 15mm*1 | |
| Scanning angle | 270° |
| Angular resolution/ Scan speed |
0.25゜/25ms (Normal mode) |
| 0.125゜/50ms (High Resolution mode) | |
| Interface | Ethernet 100BASE-TX (Auto-negotiation) |
| Outputs | 5 OUTPUT; Area Detection 1 / Synchronization output, Area Detection 2, Area Detection 3 / Synchronization master, Ready, Malfunction |
| Inputs | 3 INPUT Area 1, Area 2, Area 3 / Synchronization input (Maximum area pattern : 7 patterns) |
| Response time | Within 50ms (However, it differs depending upon the settings) |
| Start up time | Within 15 sec (start up time differs if malfunction is detected during start up) |
| LED display | Blue LED : Power supply and normal operation |
| Orange LED: Area determination (About LED display refer to section 6.3 in specification sheet) |
|
| Ambient temperature and humidity |
-30°C to +50°C , below 85%RH (Without dew, frost) |
| Ambient illuminance | 100,000lx*2 |
| Vibration resistance | 10 to 55Hz double amplitude of 1.5mm for 2hrs in each X, Y, and Z direction |
| 55 to 150Hz 98m/s2 (10G) sweep of 2min for 1hr in each X,Y and Z direction | |
| Shock resistance | 196m/s2(20G) X,Y and Z directions each 10 times |
*2 Detection cannot be guaranteed when direct light (such as sunlight) enters the device.
External dimension
External Dimensions
I/O Circuit
Input: Photocoupler input
(Common Anode, 2mA during each input ON, 0.5 mA or below during OFF)
Output: PNP Open collector output
Maximum output current: 50mA
Maximum voltage: 30V
Example of connecting the input/output circuit
Example of wiring between sensor s for motor rotation synchronization
Power supply Input / Output connector

Maker:PHOENIX CONTACT
Type:1441707
|
|
Ethernet connector

Maker :PHOENIX CONTACT
Type :1456093
|
Downloads
Before Download
If you have not registered as a member, please register as a member by clicking the "Registration".
If you are already a member, please agree to the following terms and click the "Agree".
License for Downloading Materials
When downloading the product specifications, drawings and various types of materials and software related to the Hokuyo's product line, please read the terms of use in advance and then utilize the same with your understanding and consent. In case of dissent, please understand that you cannot register to and be recognized in the download page. (And the Terms of Use may be revised without prior notice.)
Terms of Use
- Intellectual Property Rights
-
- Copyrights and the other rights to contents such as sentences, data and software published on this Website (hereinafter referred to as "Contents") are held by Hokuyo or its suppliers.
- The secondary application (copy, diversion, defacement, analysis, transmission, assignment, rental, licensing, and usage for the purpose of business activities or commercial gain) of the Contents on this Website posted by Hokuyo is strictly prohibited without our prior approval. Specific terms of use described for each download site or Contents shall apply in preference to the Terms of Use.
- Provision of the Contents on this Website by Hokuyo means neither a transfer of the patent rights, design rights, and/or the other intellectual property rights to inventions and designs in the Contents, nor a grant of any rights based on the intellectual property rights.
- Disclaimer
-
Hokuyo pays full attention to the information that appears on this Website, but does not take responsibility for the following items:
- The information that appears on this Website is always the latest version, and is updated or corrected timely and properly;
- The information that appears on this Website is accurate, useful and safe;
- Customer's damage incurred by the use of this Website, including changes or deletions of the information, discontinuation or suspension of the publication; and
- Any and all damage incurred by using this Website.
Download List
| Category | File name | File size | Date modified | Download |
|---|---|---|---|---|
|
|
Catalog_URM-40LC-EWT
|
---
|
2025-07-04
|
|
|
|
Specifications_URM-40LC-EWT
|
---
|
2019-06-04
|
|
|
|
Communication Protocol Specifications_URM
|
---
|
2019-06-04
|
|
|
|
External Dimension_URM-40LC-EWT
|
---
|
2019-06-04
|
|
|
|
IP_Discovery_2.3.0(rev.96) IP address changing tool
|
---
|
2025-09-11
|
|
|
|
AreaDesigner_3.4.0(R.3332_C.460)
|
---
|
2026-02-27
|
|
|
|
3DCAD(IGES)_URM-40LC
|
---
|
2025-10-01
|
|
|
|
3DCAD(STEP)_URM-40LC
|
---
|
2025-10-01
|
|
|
|
Instruction Manual_Area Designer(Configuration software)
|
---
|
2025-10-01
|
Relation Products
- Scanning Rangefinder
- Photoelectric Switch
- Sensor for Iron & Steel Industry
- Optical Data Transmission Device




