BWF-3E/4E-CE

Ethernet 10Mbps optical repeater. Wireless communication is possible between stacker cranes(automated warehouses),automated cranes and traversers. It is also possible to transmit images from a network camera with wireless LAN cable.
Overview
Features
->It is possible to transmit images from a network camera
->It is possible to make a long distance transmission,100m or 200m
System construction
Model
| Model No. | Part No. | Modulating frequency | Transmission distance | Directional angle |
| BWF-3EA-CE | WBWF148 | Transmission:25MHz Reception:37.5MHz |
100m | Full angle 2° |
| BWF-3EB-CE | WBWF149 | Transmission:37.5MHz Reception:25MHz |
||
| BWF-4EA-CE | WBWF156 | Transmission:25MHz Reception:37.5MHz |
200m | Full angle 1° |
| BWF-4EB-CE | WBWF157 | Transmission:37.5MHz Reception:25MHz |
Specification
| Model No. | BWF-3EA-CE | BWF-3EB-CE | BWF-4EA-CE | BWF-4EB-CE | |
| Power source | DC24V(±15%) | ||||
| Current consumption | Max.160mA(Input voltage DC24V) | ||||
| Transmisson lag | 10μs sec or less | ||||
| Optical transmission part | Transmission distance | 100m | 200m | ||
| Directional angle | Full angle 2゜ | Full angle 1゜ | |||
| Transmission system | Full-duplex two-way transmission device | ||||
| Modulated system | FSK | ||||
| Modulated frequency | Transmission 25MHz | Transmission 37.5MHz | Transmission 25MHz | Transmission 37.5MHz | |
| Reception 37.5MHz | Reception 25MHz |
Reception 37.5MHz | Reception 25MHz |
||
| Wavelength(LED) | 820nm | ||||
| Transmission speed | 10Mbps | ||||
| Network part | Connection standard | 10BASE-T | |||
| Transmission speed | 10Mbps or less | ||||
| Connection | Modular jack(automatic discrimination for straight/cross cable when automatic negotiation available) | ||||
| Indication lamps | PW:Power lamp FD:Full-duplex communication(Lights up during communicating) SD:Carrier output lamp JM:Optical axis adjusting mode(Lights up during this mode) LK:Link state(Lights up during link-up state) RD:Carrier input lamp S C:Main station carrier detection lamp 1:Main station light-receiving level margin 1.5 times 2:Main station light-receiving level margin 2.0 times 3:Main station light-receiving level margin 2.5 times R C:Sub station carrier detection lamp 1:Sub station light-receiving level margin 1.5 times 2:Sub station light-receiving level margin 2.0 times 3:Sub station light-receiving level margin 2.5 times |
||||
| Warging output(ARM) | Photo-coupler transistor output Max.30V,50mA ON when carrier detect |
||||
| Connection | Connector type(LAN:modular jack,CD:2 pins),but power supply is a terminal | ||||
| Ambient illuminance | 10,000lux | ||||
| Ambient temprature | -10~+50℃(when stored -20~75℃),not freezing,condensing | ||||
| Ambient humidity | 10~85%RH or less,not freezing,condensing | ||||
| Vibration resistance | Double amplitude 1.5mm,10~55Hz, each 2 hour in X,Y and Z directions | ||||
| Impact resistance | 490m/s2 each 10 times in X,Y and Z directions | ||||
| Protective struction | IP40(IEC standard) | ||||
| Case material | ABS resin | ||||
| Case weight | Approx.500g | ||||
* BWF-3EA/B and BWF-4EA/B have been discontinued and the successor model is as above.
Regarding product specifications, there are no changes other than the CE standard acquisition.
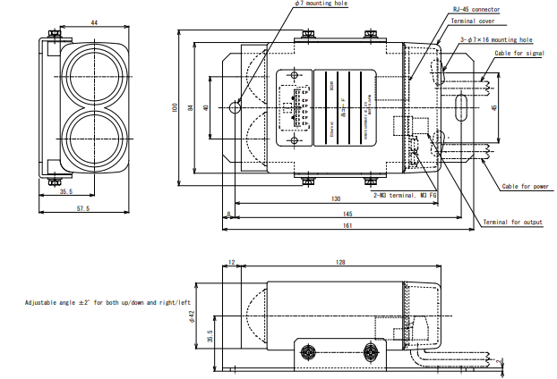
External dimension
BWF
I/O Circuit
Output circuit
Connection
*LAN connector(8 pins):RJ-45,8 cores modular jack
| Pin position | Functions |
| 1 | ARM |
| 2 | COM |
| Pin No. | MDI signals | Functions |
| 1 | TD+ | Transmission data(+) |
| 2 | TD- | Transmission data(-) |
| 3 | RD+ | Reception data(+) |
| 4 | ― | Unused |
| 5 | ― | Unused |
| 6 | RD- | Reception data(-) |
| 7 | ― | Unused |
| 8 | ― | Unused |
Downloads
Before Download
If you have not registered as a member, please register as a member by clicking the "Registration".
If you are already a member, please agree to the following terms and click the "Agree".
License for Downloading Materials
When downloading the product specifications, drawings and various types of materials and software related to the Hokuyo's product line, please read the terms of use in advance and then utilize the same with your understanding and consent. In case of dissent, please understand that you cannot register to and be recognized in the download page. (And the Terms of Use may be revised without prior notice.)
Terms of Use
- Intellectual Property Rights
-
- Copyrights and the other rights to contents such as sentences, data and software published on this Website (hereinafter referred to as "Contents") are held by Hokuyo or its suppliers.
- The secondary application (copy, diversion, defacement, analysis, transmission, assignment, rental, licensing, and usage for the purpose of business activities or commercial gain) of the Contents on this Website posted by Hokuyo is strictly prohibited without our prior approval. Specific terms of use described for each download site or Contents shall apply in preference to the Terms of Use.
- Provision of the Contents on this Website by Hokuyo means neither a transfer of the patent rights, design rights, and/or the other intellectual property rights to inventions and designs in the Contents, nor a grant of any rights based on the intellectual property rights.
- Disclaimer
-
Hokuyo pays full attention to the information that appears on this Website, but does not take responsibility for the following items:
- The information that appears on this Website is always the latest version, and is updated or corrected timely and properly;
- The information that appears on this Website is accurate, useful and safe;
- Customer's damage incurred by the use of this Website, including changes or deletions of the information, discontinuation or suspension of the publication; and
- Any and all damage incurred by using this Website.
Relation Products
- Scanning Rangefinder
- Photoelectric Switch
- Sensor for Iron & Steel Industry
- Optical Data Transmission Device


