UAM-05LP-T301/T301C

World`s smallest Safety Laser Scanner A compact design for installation on AGVs, AGCs as well as in vertical guarding applications. Conformity Standards IEC61496-1/3 : Type3 IEC61508 : SIL2 ISO13849-1 : PL d Category3
Overview
Features
-> Data Output via Ethernet
-> Master-Slave Function
-> Dual Protection
-> Encoder Input
Protection over a Wide Range

Master-Slave Function

Dual Protection Mode

Model
* Sensor unit
| Model Number | Code Number | Cable type | Notes |
| UAM-05LP-T301 | UUAM005 | Flying cable 3m | |
| UAM-05LP-T301C | UUAM006 | Cable 0.3m with waterproof connector |
The connector cable is required. Please see the Extension cable line-up in the option list. |
* Extension cable for flying cable type UAM-05LP-T301 (Option)
| Model Number | Code Number | Length | Notes |
| UAM-5C10 | UZ00066 | 10m | Bare cable |
| UAM-5C20 | UZ00067 | 20m |
* Extension cable for connector type UAM-05LP-T301C (Option)
| Model Number | Code Number | Length | Notes |
| UAM-5C02C | UZ00081 | 2m | UAM-05LP-T301 requires 1 cable each |
| UAM-5C05C | UZ00082 | 5m | |
| UAM-5C10C | UZ00083 | 10m | |
| UAM-5C20C | UZ00084 | 20m |
* USB cable (Option)
| Model Number | Code Number | Length | Notes |
| UAM-MUSB | UZ00065 | 1m | For Area configuration |
* Ethernet cable (Option)
| Model Number | Code Number | Length | Notes |
| UAM-ENET | UZ00062 | 3m | Necessary for distance data output |
* Bracket (Option)
| Model Number | Code Number | Mounting position | Notes |
| UAM-BK03 | UZ00059 | Base mounting | |
| UAM-BK04 | UZ00060 | Rear mounting | |
| UAM-BK05 | UZ00061 | Cover bracket | For protection of the optical window used in combination with UAM-BK03 or BK04 |
* Optical window (Option)
| Model Number | Code Number | Notes | |
| UAM-W002 | UZ00064 | For replacement when damaged and only to be fitted by approved personnel | |
Extension bare cable

Extension connector cable

USB cable : UAM-MUSB

Ethernet cable : UAM-ENET

Base mounting bracket

Rear mounting bracket

Cover bracket

Optical window

Specification
| Subject | Specifications | |
| Model | UAM-05LP-T301 | |
| Detection Property | Protection Range | Max: 5m |
| Warning Range | Max: 20m (Non-safety)*1 | |
| Distance Tolerance*2 | +100mm | |
| Detection Capability | From Black-Reflector sheet(1.8%) to Retro- Reflector Sheet | |
| Detection Range | 270° | |
| Minimum Detectable Width | φ30mm (Max : 1.8m) | |
| φ50mm (Max : 3.0m) | ||
| φ70mm (Max : 5.0m) | ||
| Scan Frequency | 30ms (Rotational Speed 2000rpm) | |
| Area Pattern | MAX 32 patterns | |
| Response Time | OFF : 60ms ~ 510ms | |
| ON : 270ms ~ 510ms | ||
| Optics | Element | Pulsed Laser Diode |
| Wavelength | 905nm | |
| Safety class | Laser Class 1 | |
| Type | Type 3 (IEC61496-1,IEC61496-3) | |
| Functional Safety | SIL 2(Type B, HFT=1) (IEC61508) | |
| PFHd | 7.8×10-8 (T1=20year) : When master slave function is not in use | |
| 1.6×10-7 (T1=20year) : When master slave function is in use | ||
| Housing | Size | 80.0mm (W) , 80.0mm (D) , 95.0mm (H) (without cable) |
| Weight | 0.8kg | |
| Protection | IP65 | |
| Case Material | Body : Aluminum / Optical Window : Polycarbonate | |
| Conenection Cable | Flying lead cable length : 3m | |
| Power supply | DC 24V ±10% : when operating with converter power supply | |
| DC 24V -30%/+20% : when operating with battery | ||
| Supply power | Normal (without load) | 6W |
| Max.(with load) | 50W | |
| Output | OSSD1/2 (Safety) | Output type (High side SW) |
| Output current (Max : 500mA)*3 | ||
| Leak current (Max : 1mA) | ||
| AWG 26 | ||
| Load tolerance (L/R=25ms, C=1μF) | ||
| OSSD3/4(Safety) WARNING 1/2 (Non-Safety) |
Output types (High side SW) Output current : (Max : 250mA)*3 Leak current (Max : 1mA) AWG 28 Load tolerance (L/R=25ms, C=1μF) |
|
| RES_REQ 1 RES_REQ 2 MUT_OUT 1 MUT_OUT 2 |
Output types (PNP Transistor) Output current : (Max : 200mA)*3 Leak current (Max : 1mA) AWG 28 |
|
| Input | Area pattern 32 (5 Inputs × 2 Channels) EDM1/EDM2 MUTING1/MUTING2 MUTING3/MUTING4 OVERRIDE1 OVERRIDE2 RESET1/RESET2 ENC_A1/ENC_A2 ENC_B1/ENC_B2 |
Input Impedance 4.7 kΩ AWG28 |
| Interface | Configuration | USB2.0 (USB micro type-B connector) |
| Data output | Ethernet 100BASE-TX (Water proof connector) | |
| Environmental Resistance | Temperature | -10 to + 50 degrees C (No frost) |
| Storage Temperature | -25 to + 70 degrees C (No frost) | |
| Humidity | 95% RH with no condensation | |
| Storage Humidity | 95% RH with no condensation | |
| Surrounding illumination*4 | Less than 1500lx | |
| Vibration | Frequency range : 10~55 Hz Sweep rate : 1octave/min | |
| Amplitude : 0.35mm ±0.05mm | ||
| Shock resistance | Acceleration : 98m/s2(10G) Pulse duration : 16 ms | |
| Outdoor Operation | Not permitted | |
| Altitude | Below 2000m | |
*2. Additional distance of 200 mm is needed when the UAM is working under high reflective background.
*3. Total current supply of OSSD output and Warning output should be below 1.0A.
*4. When the light sources are located at ≧5° from the detection plane of UAM.
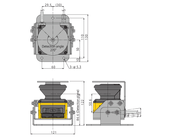
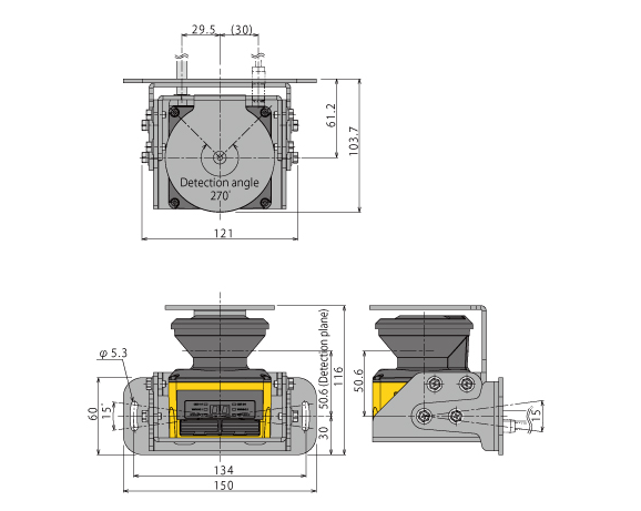
External dimension
Sensor

Fixed Condition of Rear mounting bracket with Cover bracket
Fixed Condition of Base mounting bracket with Cover bracket
Downloads
Before Download
If you have not registered as a member, please register as a member by clicking the "Registration".
If you are already a member, please agree to the following terms and click the "Agree".
License for Downloading Materials
When downloading the product specifications, drawings and various types of materials and software related to the Hokuyo's product line, please read the terms of use in advance and then utilize the same with your understanding and consent. In case of dissent, please understand that you cannot register to and be recognized in the download page. (And the Terms of Use may be revised without prior notice.)
Terms of Use
- Intellectual Property Rights
-
- Copyrights and the other rights to contents such as sentences, data and software published on this Website (hereinafter referred to as "Contents") are held by Hokuyo or its suppliers.
- The secondary application (copy, diversion, defacement, analysis, transmission, assignment, rental, licensing, and usage for the purpose of business activities or commercial gain) of the Contents on this Website posted by Hokuyo is strictly prohibited without our prior approval. Specific terms of use described for each download site or Contents shall apply in preference to the Terms of Use.
- Provision of the Contents on this Website by Hokuyo means neither a transfer of the patent rights, design rights, and/or the other intellectual property rights to inventions and designs in the Contents, nor a grant of any rights based on the intellectual property rights.
- Disclaimer
-
Hokuyo pays full attention to the information that appears on this Website, but does not take responsibility for the following items:
- The information that appears on this Website is always the latest version, and is updated or corrected timely and properly;
- The information that appears on this Website is accurate, useful and safe;
- Customer's damage incurred by the use of this Website, including changes or deletions of the information, discontinuation or suspension of the publication; and
- Any and all damage incurred by using this Website.
Download List
| Category | File name | File size | Date modified | Download |
|---|---|---|---|---|
|
|
Catalog_UAM-05LP-T301_T301C
|
---
|
2025-07-04
|
|
|
|
Specifications_UAM-05LP
|
---
|
2025-01-15
|
|
|
|
Users Manual_UAM-05LP
|
---
|
2026-02-20
|
|
|
|
Communication Protocol Specification_UAM-05LP
|
---
|
2022-08-26
|
|
|
|
Project Designer_UAM_4.0.1 Application Software for Area Configuration
|
---
|
2025-11-11
|
|
|
|
Optical Window Adjuster_Ver.1.1.1
|
---
|
2025-09-30
|
|
|
|
Hokuyo SISTEMA Library: A Tool for the Easy Application of EN ISO 13849-1 Hokuyo has developed a SISTEMA library to assist developers and testers of safety-related machine controls in evaluating overall safety in compliance with ISO 13849-1.
The library includes all Hokuyo Safety Products, such as the Safety LiDAR scanner series, which have been certified to meet specific Safety Integrity Level (SIL) and Performance Level (PL) requirements. |
---
|
2025-01-15
|
|
|
|
2DCAD_UAM-05LP
|
---
|
2017-03-24
|
|
|
|
2DCAD_Bottom mounting bracket (UAM-BK03)
|
---
|
2017-03-24
|
|
|
|
2DCAD_Rear mounting bracket (UAM-BK04)
|
---
|
2017-03-24
|
|
|
|
2DCAD_Metal cover (UAM-BK05)
|
---
|
2017-03-24
|
|
|
|
3DCAD(IGES_STEP)_UAM-05LP
|
---
|
2017-03-24
|
|
|
|
3DCAD(IGS_STEP)_Bottom mounting bracket(UAM-BK03)
|
---
|
2017-06-15
|
|
|
|
3DCAD(IGS_STEP)_Rear mounting bracket (UAM-BK04)
|
---
|
2017-06-15
|
|
|
|
3DCAD(IGS_STEP)_Metal cover (UAM-BK05)
|
---
|
2017-06-15
|
Relation Products
- Scanning Rangefinder
- Photoelectric Switch
- Sensor for Iron & Steel Industry
- Optical Data Transmission Device


