Products Detail
Overview
Features
-> The smallest and the lightest of its kind, 130g
-> Mid-detection range 10m/20m, Wide detection angle 270, Fast response 25msec, High angular resolution 0.25°
-> It is possible to detect size, position and the moving direction of objects.
-> Mid-detection range 10m/20m, Wide detection angle 270, Fast response 25msec, High angular resolution 0.25°
-> It is possible to detect size, position and the moving direction of objects.
Laser scanning image

Specification
| Product name | Scanning Laser Range Finder | |||
| Model | UST-10LX | UST-10LX-H01 | UST-20LX | UST-20LX-H01 |
| Supply voltage | DC 12V/DC 24V (operation range 10 to 30V ripple within 10%) | |||
| Supply current | 150mA or less (during start up 450mA is necessary.) | |||
| Light source | Laser semiconductor (905nm), Laser class 1(IEC60825-1:2007) | |||
| Detection range | 0.06m to 10m (white Kent sheet) 0.06m to 4m (diffuse reflectance 10% ) Max. detection distance : 30m |
0.06m to 20m (white Kent sheet) 0.06m to 8m (diffuse reflectance 10% ) Max. detection distance : 60m |
||
| Accuracy | ±40mm*1 | |||
| Repeated accuracy | σ<30mm*1 | |||
| Scan angle | 270° | |||
| Scan speed | 25ms (Motor speed 2400rpm) | |||
| Angular resolution | 0.25° | 0.125° | 0.25° | 0.125° |
| Start up time | Within 10 sec (start up time differs if malfunction is detected during start up) | |||
| Input | IP reset input, photo-coupler input(current 4mA at ON) | |||
| Output | Synchronous Output, photo coupler open collector output 30VDC 50mA MAX. | |||
| Interface | Ethernet 100BASE-TX | |||
| LED display | Power supply LED display(Blue) : Blinks during start up and malfunction state. | |||
| Surrounding intensity | UST-10/20LX: Less than 80,000lx UST-10/20LX-H01: Less than 15,000lx Note : Avoid direct sunlight or other illumination sources as it may cause sensor malfunction |
|||
| Ambient temperature and humidity | -10°C to +50°C, below 85%RH(without dew, frost) | |||
| Storage temperature and humidity | -30°C to +70°C, below 85%RH(without dew, frost) | |||
| Vibration resistance | 10 to 55Hz double amplitude of 1.5mm for 2hrs in each X, Y, and Z direction 55 to 200Hz 98m / s2 sweep of 2min for 1hr in each X,Y and Z direction |
|||
| Vibration resistance(Operating) | 55 to 150Hz 19.6m/s2 sweep of 2min for 30min in each X,Y and Z direction | |||
| Shock resistance | 196m/s2 (20G) X,Y and Z direction 10 times. | |||
| EMC standards | (EMI) EN61326-1:2013 EN55011:2009 + A1:2010 (EMS) EN61326-1:2013 EN61000-4-2:2009 EN61000-4-3:2006 + A1:2008 + A2:2010 EN61000-4-4:2012 EN61000-4-6:2009 EN61000-4-8:2010 |
|||
| Protective structure | IP65 | |||
| Weight | 130g(Excluding cable) | |||
| Material | Front case: Polycarbonate, Rear case: Aluminum | |||
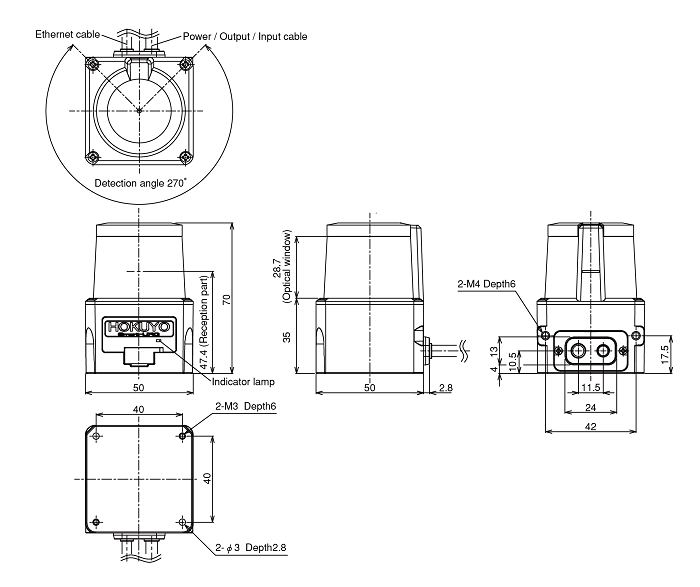
| Dimensions (W×D×H) | 50×50×70mm(sensor only) | |||
External dimension
External dimension

I/O Circuit
Input/output circuit

Connection
Power source, I/O cable
Cable length: 1000mm Flying lead cable(AWG28)
Note : Direction of Inputs and Outputs are mentioned from the sensor's side.
Ethernet cable
Cable length: 300mm
Cable length: 1000mm Flying lead cable(AWG28)
| Color | Signal |
| Red | COM Input+ |
| Gray | COM Output- |
| Light Blue | IP Reset Input |
| Orange | Synchronous Output |
| Brown | +VIN(12VDC/24VDC) |
| Blue | -VIN |
Ethernet cable
Cable length: 300mm
| Color | Signal |
| Blue | TX+ |
| White | TX- |
| Orange | RX+ |
| Yellow | RX- |
Downloads
Before Download
Only members can download the file.
If you have not registered as a member, please register as a member by clicking the "Registration".
If you are already a member, please agree to the following terms and click the "Agree".
If you have not registered as a member, please register as a member by clicking the "Registration".
If you are already a member, please agree to the following terms and click the "Agree".
License for Downloading Materials
When downloading the product specifications, drawings and various types of materials and software related to the Hokuyo's product line, please read the terms of use in advance and then utilize the same with your understanding and consent. In case of dissent, please understand that you cannot register to and be recognized in the download page. (And the Terms of Use may be revised without prior notice.)
Terms of Use
- Intellectual Property Rights
-
- Copyrights and the other rights to contents such as sentences, data and software published on this Website (hereinafter referred to as "Contents") are held by Hokuyo or its suppliers.
- The secondary application (copy, diversion, defacement, analysis, transmission, assignment, rental, licensing, and usage for the purpose of business activities or commercial gain) of the Contents on this Website posted by Hokuyo is strictly prohibited without our prior approval. Specific terms of use described for each download site or Contents shall apply in preference to the Terms of Use.
- Provision of the Contents on this Website by Hokuyo means neither a transfer of the patent rights, design rights, and/or the other intellectual property rights to inventions and designs in the Contents, nor a grant of any rights based on the intellectual property rights.
- Disclaimer
-
Hokuyo pays full attention to the information that appears on this Website, but does not take responsibility for the following items:
- The information that appears on this Website is always the latest version, and is updated or corrected timely and properly;
- The information that appears on this Website is accurate, useful and safe;
- Customer's damage incurred by the use of this Website, including changes or deletions of the information, discontinuation or suspension of the publication; and
- Any and all damage incurred by using this Website.
Download List
| Category | File name | File size | Date modified | Download |
|---|---|---|---|---|
|
|
Catalog_UST-10LX
|
---
|
2025-07-04
|
|
|
|
Catalog_UST-10LX-H01
|
---
|
2025-07-04
|
|
|
|
Catalog_UST-20LX
|
---
|
2025-07-04
|
|
|
|
Catalog_UST-20LX-H01
|
---
|
2025-07-04
|
|
|
|
Specifications_UST-10LX
|
---
|
2025-03-06
|
|
|
|
Specifications_UST-10LX-H01
|
---
|
2025-03-06
|
|
|
|
Specifications_UST-20LX
|
---
|
2025-03-06
|
|
|
|
Specifications_UST-20LX-H01
|
---
|
2025-03-06
|
|
|
|
Instruction Manual_UST-10LX
|
---
|
2025-03-06
|
|
|
|
Instruction Manual_UST-10LX-H01
|
---
|
2025-03-06
|
|
|
|
Instruction Manual_UST-20LX
|
---
|
2025-03-06
|
|
|
|
Instruction Manual_UST-20LX-H01
|
---
|
2025-03-06
|
|
|
|
External Dimension_UST-LX series
|
---
|
2025-10-14
|
|
|
|
IP_Discovery_2.3.0(rev.96) IP address changing tool
|
---
|
2025-09-11
|
|
|
|
Data Viewing Tool_UrgBenriPlus_2.3.2(rev.343)
|
---
|
2024-07-22
|
|
|
|
UST-LX (UUST1**) series firmware ver.2.19 (old) ver.3.00 Firmware for UUST1**
It is not possible to update to UUST2**. For sensors older than Ver. 2.19, please update to Ver. 2.19 first. After updating to Ver.2.19, it is possible to update to Ver.3.00. Please do not use this firmware with sensors Ver.4.00 or higher. It is not possible to update from Ver.3.00 to Ver.4.00. UUST1** can be confirmed from the product label on the sensor body. It cannot be connected to or used with the UST-10/20LX-H01. |
---
|
2023-10-05
|
|
|
|
UST-LX (UUST2**) series_Firmware ver.4.0.3A The latest firmware for UUST2**
It is not possible to update from UUST1**. Please update from Ver.4.00A. You can confirm UUST2** from the product label on the sensor body. All files in the folder are required to start SmartUpdaterCompact, and when you start the exe file, SmartUpdater (SmartUpdaterCompact) with embedded firmware will start. *There is an exe file for each target model, so please be careful of the file name when updating. |
---
|
2025-11-07
|
|
|
|
2DCAD_UST-10LX/20LX(-H01)
|
---
|
2023-08-29
|
|
|
|
3DCAD(IGES)_UST-10LX/20LX(-H01)
|
---
|
2023-08-29
|
|
|
|
3DCAD(STEP)_UST-10LX/20LX(-H01)
|
---
|
2023-08-29
|
|
|
|
3DCAD(Parasolid)_UST-10LX/20LX(-H01)
|
---
|
2023-08-29
|
|
|
|
Communication Protocol Specification_UST-LX
|
---
|
2025-10-01
|
Programming
Relation Products
Product's Category
- Scanning Rangefinder
- Photoelectric Switch
- Sensor for Iron & Steel Industry
- Optical Data Transmission Device











